• 课程
  • 院校
  • 关于我们
  • 素材中心
  • 课程
  • 院校
  • 关于我们
  • 素材中心
    • 登录
    • 注册
  • 登录
  • 注册
  1. 首页
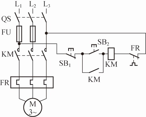
  2. 5-14.jpg

网站首页 | 课程 | 论坛 | 院校 | 关于我们 | 新思课堂

地址:北京市海淀区东冉北街9号互联网金融产业园B区3017室电话:010-56079876邮箱:zxkedu@sohu.com

京公网安备 11010802027801号 | 京ICP备18053512号-1 北京智学客教育科技有限公司

扫一扫看宣传片

  • 学
    习
    中
    心
  • TOP
智学客客服

工作时间:8:30 - 17:30

智学客:010-56079855

邮箱: zxkedu@sohu.com